一种基于时空电导率调制的集成CMOS环形器
一、成果简介
随着5G移动通信的发展,硅基毫米波电路的应用越来越普遍。在5G无线网络的应用背景下,无线网络容量需求每年呈指数增长,推动了对频谱效率更高的系统的追求。大多数现代通信系统包含发射机和接收机终端。通常,这些终端以半双工或带外全双工模式运行,即在不同的时间或不同的频带上实现发送和接收,但这种工作模式的效率和效果具有一定局限性。
本发明成果设计一种基于时空电导率调制的集成CMOS环形器,通过打破互易性进而减小损耗。在技术层面上,本发明主要通过打破洛伦兹互易性来实现非互易环形器,采用时空电导率调制的方法,通过将非互易相移元件回转器嵌入到传输线中,从而打破环形器的互易性。采用四路占空比为25%的I/Q信号,简化操作难度,获得更高的工作频率,同时提高系统的插入损耗和隔离带宽,在一定程度上弥补了当前国内关于全双工共享天线接口设计上的缺失和不足。考虑到5G移动通信的普遍应用,该发明成果具有广阔的应用前景。

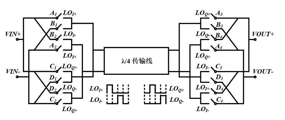
图1.基于时空电导率调制的CMOS环形器的电路结构
二、应用领域
新一代信息技术、集成电路
三、市场前景
本成果设计一种非互易环形器,具有小型化、低成本、低损耗等特点,可与CMOS工艺兼容,在一定程度上弥补了当前国内关于全双工共享天线接口设计上的缺失和不足。

图2.双平衡回转器的电路结构
四、知识产权
1、成果由北京理工大学单独持有;
2、已申请发明专利并获得授权。
五、合作方式
合作开发、技术服务或咨询、技术转让、技术许可、技术入股等。
六、对接方式
(1)合作意向方联系北理工技术转移中心;
(2)北理工技术转移中心沟通了解意向方情况;
(3)会同成果完成团队与意向方共同研讨合作方案。
北京理工大学技术转移中心
电话:010-68914920
邮箱:bitttc@bit.edu.cn
网址:www.ht55016.cn
未经授权,请勿转载
